大家对氢元素肯定都不陌生,认识它基本都是从背元素周期表开始的。近年来我们身边多了很多氢的身影,从北京冬奥会的氢燃料电池大巴,再到广州南沙小虎岛电氢智慧能源站,氢也越来越被大家熟知。工业上,氢的使用可是一点都不少,自 1975 年以来,需求量增长了三倍,而且还在继续增长。然而,氢气生产目前几乎全部由化石燃料供应,消耗了全球约 6% 的天然气和 2% 的煤炭。据估计,目前全球每年氢气生产产生的二氧化碳排放量为 8.3 亿吨,相当于英国和印度尼西亚的排放量总和,氢气生产的增长与遏制全球气温上升的努力不相适应[1]。
首先明确一点,氢气是二次能源。我们根据环境友好程度以及生产过程中是否有温室气体排放等,使用了几种颜色来区分,即绿氢、蓝氢和灰氢。上面谈到的用化石燃料制氢叫灰氢,因为这种方式产生1吨的氢气就会产生9~12吨的二氧化碳。生产过程中产生的二氧化碳被储存或再利用,这种方式产生的氢气叫蓝氢。
下面我介绍一下绿氢,绿氢是在电解过程中产生的,该过程利用风能和太阳能等可再生能源,在此过程中不会产生温室气体。其他生产绿氢的方法包括生物质的气化和发酵以及沼气的重整。要实现“双碳”目标,“氢”也能出一份力。新能源发电比较依赖环境的影响从而有不稳定这一特点,会有一些“弃风”“弃光”的现象发生。大家自然而然的就会对未来有一些构想,比如建设“氢网”,无法上网的电力用来制氢,通过管网可以运出去,也可以长时储存起来。

图1. 电解氢---未来能源系统的一部分
电解氢想必很多人都见到过,我们中学化学老师会拿电解水的例子来讲电化学反应。工业上的电解氢技术要结合效率、成本以及工艺的成熟度,我们常见的有三种:碱性电解水制氢(ALK)、质子交换膜制氢(PEM)和固体氧化物电解水制氢(SOEC)。
如下表所示,目前主要以碱性电解水为主,其次是PEM。至于固体氧化物制氢,由于其运行条件限制,目前占比较小。本文所讨论的制氢电源的方案主要针对碱性电解水和PEM这两种电解槽。

碱性水电解槽利用 KOH 或 NaOH 溶液作为电解质,通过隔膜分离氢气和氧气,并传导氢氧根离子 (OH⁻)。 PEM 电解槽用质子交换膜,水在阳极分解为氧气、质子 (H⁺) 和电子。质子通过膜,电子经外电路到阴极,在阴极形成氢气。这两种方法的电荷流动都是有方向,所以从客观上决定了要使用直流电。
碱性电解法因其设备投入成本低、生产工艺相对成熟,目前占主要的市场份额,但是其动态特性较差;动态系统好且与新能源发电契合度高的PEM制氢方法,再加之发电效率高等优势,随着设备投入成本的下降,未来具有更广阔的空间。
那用什么电路拓扑呢?目前存在单级拓扑和双级拓扑,这两种拓扑各有千秋。单级拓扑是只存在一级AC/DC功率变换,将交流转化成直流来直接电解水制氢。单级拓扑多用于从电网取电的场合,其效率高、成本低。双级拓扑不但有前级AC/DC功率级,还包括后级的DC/DC,响应速度快,适合新能源发电来直接电解氢。
首先,先看一下输入级(AC/DC)的方案。
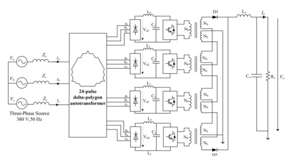
1、多脉波整流器

图2. 多脉波晶闸管整流器[2]
多脉波整流器作为单级拓扑具有损耗低、效率高的优势,如要满足并网电流谐波、母线电压谐波和功率因数等国标,分别至少需要24和12脉冲及以上的拓扑,这就需要庞大的整流变压器。针对多脉冲整流器,英飞凌的功率晶闸管有以下产品可供选择:

2、PWM全控整流
PWM全控整流通过调节 IGBT 的占空比,可将输入侧交流电流控制为正弦波,从而大大降低电流谐波失真,提高功率因数。也可以使用碳化硅 MOSFET 代替硅 IGBT,从而简化拓扑。响应速度快,电能质量好,无需整流变压器。主要拓扑有两电平的B6和3电平。

图3. 整流电路拓扑

以上是输入级的大致方案,对于双级电路来讲,输出级DC/DC都有哪些合适的方案呢?电解槽的规格不一,所需的电压也不一样。如果整流之后的电压比较高,需要一级DC/DC将电压降下来,交错buck电路是非常直接的选择。有些用户强调安全,需要隔离型的拓扑,会使用DAB。对于强调效率的应用场景,3电平也是很好的选择。
1、交错buck
该电路设计简单,可以非常方便的从其它成熟平台转化而来,大大降低了开发成本,可以很快的推向市场。方便模块化扩展,无需隔离,纹波电流低,电解槽寿命更长。

图4 交错Buck电路

2、DAB (Dual Active Bridge)
DAB的好处就是原边和副边的隔离,可以提升电解氢系统的安全性。通过变压器以高效率实现大幅度降压。如果采用高频设计,变压器和磁性元件更小,成本更低。

图5 DAB拓扑

以上就是大致的制氢电源的主功率拓扑和器件的方案。英飞凌整体解决方案不仅有功率器件,还有MCU、存储芯片、IoT、电流采样芯片、气体检测芯片、栅极驱动器和辅助电源管理芯片等,如果有兴趣的话打开英飞凌网页吧。

随着器件的不断推陈出新,以及新能源制氢的不断发展,不断会有新方案涌现出来。英飞凌也会有新的器件助力电解氢应用的发展。

参考资料
-
The importance of power conversion technologies in the production of green hydrogen. Last update 2024-05.
-
Delta-Polygon Autotransformer Based 24-Pulse Rectifier for Switching Mode Power Supply,Chun-ling Hao*, Xiao-qiang Chen, Hao Qiu. TELKOMNIKA, Vol.14, No.2, June 2016, pp. 431~439 ISSN: 1693-6930
